Explore ideas, tips guide and info Madeleine Banvard
Fender Champion 600
Fender Champion 600
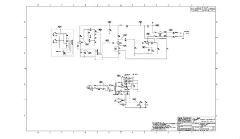
Fender Champion 600 Schematic. Fender Champion 600 Schematic Use this vacuum tube circuit to aid in the repair or modification of your tube amplifier I am starting a new thread, here is the schematic with my mods.
Fender Champion 600 Schematic Buying Discount from www.pinnaxis.com
We have all the power tubes and preamp tubes you will need for your amplifier Post by martin manning » Wed Jun 22, 2022 3:08 pm
Fender Champion 600 Schematic Buying Discount
Download Champion ™ 600 (This is the model name for warranty claims) p/n 233-0100-000 (120V) SERVICE MANUAL ATTENTION: WARRANTY SERVICE PROCEDURES. Post by martin manning » Wed Jun 22, 2022 3:08 pm Use our Shop by Amp tube packages to see popular tubes for this amp.
FENDER CHAMPION600 REISSUE SM Service Manual download, schematics. Use this vacuum tube circuit to aid in the repair or modification of your tube amplifier FENDER Champion 600 Schematics (PDF DOWNLOAD) CAN'T FIND WHAT YOU NEED? I have access to literally hundreds of thousands of Obsolete User Manuals, Lots of Repair Manuals, Service Manuals, Rare Schematic Diagrams, PDF Books, How to Repair Manuals, Lost Operating Manuals, Old Handbooks, Lost Parts Lists, Hidden Service Bulletins, Informative Repair Tips, Complete Disassembly Routines, and Much.
Fender Champion 600 Schematic. 2020-05-17 4:13 pm #2 2020-05-17 4:13 pm #2 Oldest reason in the world, a bad tube Title: CH600 Author: hle Created Date: 12/12/2006 5:20:25 PM